【壓 力】:PN0.6-1.6
【溫 度】:-20----135°C
【閥體材質】:鑄鐵、球墨鑄鐵、碳鋼、不銹鋼等
【適用介質】:淡水、污水、海水、弱酸堿等
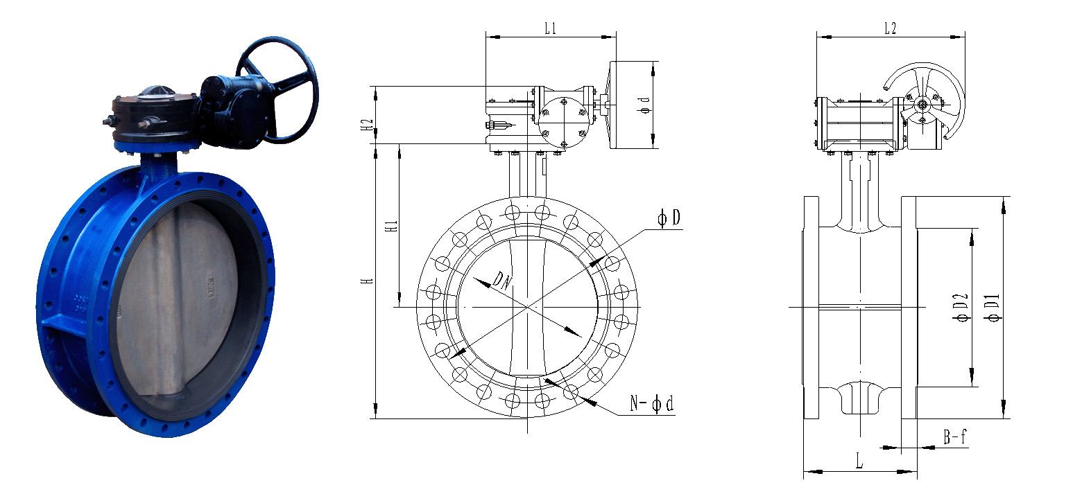
雙法蘭渦輪蝶閥主要適用于水廠、電廠、鋼廠冶煉、造紙、化工、飲食等系統排水用,尤為適用自來水管路上作為調節流量設備使用。
D341X法蘭軟密封襯膠蝶閥,適用于溫度≤120℃,公稱壓力≤1.6MPa,綜合了偏心法蘭蝶閥和中線對夾蝶閥的部分優點,填補了偏心法蘭蝶閥與中線對夾蝶閥之間的一塊空白。D341X法蘭軟密封襯膠蝶閥閥體內腔過流部分采用硫化襯膠設計,閥體閥座結合為一整體,具有良好的密封性能。
2、法蘭軟密封蝶閥的閥座、閥體有機地結合為一體,使閥門具有較長的使用壽命
3、D341X法蘭軟密封襯膠蝶閥的軸板無銷連接、結構緊湊,法蘭連接,安裝便捷
4、法蘭軟密封蝶閥90°啟閉,蝸輪傳動,操作扭矩小
5、D341X法蘭軟密封襯膠蝶閥雙向密封,性能優良,零件加工性能優越
6、流量特性趨于直線,調節性能好
|
閥門執行標準
|
名稱
|
設計及制造
|
結構長度
|
試壓標準
|
上法蘭尺寸
|
側法蘭尺寸
|
||
|
參照標準
|
GB/T 12238-2008
|
GB/T 12221-2008
|
GB/T 13927-2008
|
ISO 5211
|
GB/T 17241.6-2008
|
|||
|
主要零部件信息
|
名稱
|
1-閥體
|
2-閥座
|
3-蝶板
|
4-閥軸
|
5-渦輪
|
||
|
材質
|
球墨鑄鐵DI
|
三元乙丙橡膠EPDM
|
不銹鋼304
|
不銹鋼410
|
組件
|
|||
|
尺寸信息
|
DN
|
NPS(英寸)
|
A
|
B
|
C
|
L
|
D
|
n-φd
|
|
DN50
|
2"
|
69.5
|
126.5
|
32
|
108
|
125
|
4-φ19
|
|
|
DN65
|
2.5"
|
72
|
136
|
32
|
112
|
145
|
4/8-φ19
|
|
|
DN80
|
3"
|
88
|
146
|
32
|
114
|
160
|
8-φ19
|
|
|
DN100
|
4"
|
96.5
|
158
|
32
|
127
|
180
|
8-φ19
|
|
|
DN125
|
5"
|
115
|
179
|
32
|
140
|
210
|
8-φ19
|
|
|
DN150
|
6"
|
126
|
197
|
32
|
140
|
240
|
8-φ23
|
|
|
DN200
|
8"
|
161
|
230
|
45
|
152
|
295
|
12-φ23
|
|
|
DN250
|
10"
|
199
|
271
|
45
|
165
|
355
|
12-φ28
|
|
|
DN300
|
12"
|
215
|
305
|
45
|
178
|
410
|
12-φ28
|
|
|
DN350
|
14"
|
261
|
350
|
45
|
190
|
470
|
16-φ28
|
|
|
DN400
|
16"
|
290
|
381
|
51
|
216
|
525
|
16-φ31
|
|
|
DN450
|
18"
|
307
|
392
|
51
|
222
|
585
|
20-φ31
|
|
|
DN500
|
20"
|
340
|
441
|
57
|
229
|
650
|
20-φ34
|
|
|
DN600
|
24"
|
396
|
500
|
70
|
267
|
770
|
20-φ37
|
|
|
DN700
|
28"
|
496
|
567
|
66
|
292
|
840
|
24-φ37
|
|
|
DN800
|
32"
|
543
|
641
|
66
|
318
|
950
|
24-φ40
|
|
|
DN900
|
36"
|
584
|
692
|
118
|
330
|
1050
|
28-φ40
|
|
|
DN1000
|
40"
|
638
|
735
|
142
|
410
|
1170
|
28-φ43
|
|
|
DN1200
|
44"
|
763
|
917
|
150
|
470
|
1390
|
32-φ49
|
|
上一篇:D71X對夾蝶閥
下一篇:Z45X型軟密封閘閥






